Yepyeni ✔ Stokta var ✔ Hızlı kargo ✔
Marka/Üretim:
Honeywell FC-SAO-0220MÜrün Menşei:
USAKurşun zamanı:
1-3DaysDurum:
5 cm x 17 cm x 31 cmSertifika:
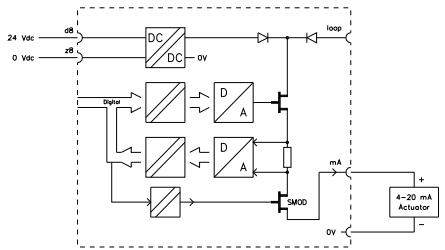
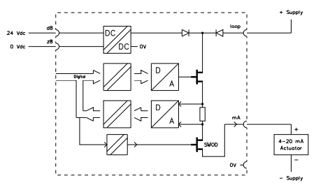
COO➱ FC-SAO-0220M Güvenli analog çıkış modülü
Güvenli analog çıkış modülü SAO-0220m, analog kontrol uygulamaları için iki adet 0(4)-20 mA çıkış kanalına sahiptir. Yük yalnızca dirençli veya kapasitif olabilir. Endüktif yükler, analog çıkış modülünün arızalı olarak raporlanmasına neden olur. İki analog çıkış, 24 Vdc ve 5 Vdc'den galvanik olarak izole edilmiştir. Modül üzerinde 0 V 1 (d14) pini ve 0 V 2 (d20) pini birbirine bağlıdır. Her analog çıkış kanalı, çıkış değeri için 12 bitlik bir D/A dönüştürücü ve çıkış değerini okuyan bir A/D dönüştürücüden oluşur. A/D dönüştürücü kullanılarak, çıkış kanalının doğru çalışması kontrol edilebilir. Yapılandırılmış Tanılama Test Aralığı içinde, analog çıkışlar şunlar için test edilir:
• Doğru çıkış değeri (mevcut değer ± %5)
• Enerjiyi boşaltma yeteneği
• Analog çıkışlar arasında çapraz etkileşim
|
Üreticiler |
Honeywell |
Model Tipi |
Güvenli analog çıkış modülü |
|
Garanti |
12 Ay |
Minimum Sipariş Miktarı |
1 Adet |
|
PaketPaket |
%100 Orijinal |
Ödeme koşulları |
%100 peşin banka havalesi |
|
Nakliye Yöntemleri |
DHL, UPS, Fedex ve TNT |
Teslimat süresi |
1-3 GÜN |
|
Sorguya yanıt verme süresi |
1 Saat İçinde |
Hizmet |
Satış Sonrası Servis |
FC-SAO-0220M ürününden büyük miktarda satın almanız durumunda indirimli fiyat uygulanacaktır.
+
8
6-1896
5423501
sales7@amikon.cn
AMKPLC
Amikon Limited, hiçbir şirketle bağlantılı değildir veya bu şirketlerin distribütörü değildir. Honeywell Ürünlerde kullanılan isimlerin, ticari markaların, markaların ve logoların gösterimi, açıklaması veya satışı yalnızca tanımlama ve/veya referans amaçlıdır ve herhangi bir hak sahibine bağlılık veya yetkilendirme anlamına gelmez.

S: Garanti durumu nasıl?
A: Amikon, bizden satın aldığınız tüm ürünler için 12 ay garanti vermektedir.
S: Diğer tedarikçilerin fiyatları sizinkinden daha iyi.
A: "Müşterilerimiz için daha fazla fayda yaratmak" bizim inancımızdır. Daha iyi bir fiyatınız varsa lütfen bize bildirin, fiyatınızı karşılamak ve size destek olmak için elimizden gelenin en iyisini yapacağız.
S: Daha önce hiç işbirliği yapmadık, size nasıl güvenebiliriz?
A: Stokta bulunan ürünler için, ödeme işlemini gerçekleştirmeden önce fotoğraf ve video çekebiliriz.
S: Peki ya kargo?
A: DHL, UPS, TNT ile çalışıyoruz, müşteriler kendi nakliye firmalarını da kullanabilirler.
Stoklarımızda hala çok sayıda PLC/DCS/TSI/ESD Modülü bulunmaktadır, fiyatlar için hemen bizimle iletişime geçin.
+
8
6-1896
5423501
sales7@amikon.cn
AMKPLC
|
Stoklarımızda bulunan ilgili ürünler |
|||
|
Triconex |
TCM 4355X |
SCHNEIDER |
BMENOC0301 |
|
Triconex |
MP 3009X |
SCHNEIDER |
BMEXBP0800 |
|
Triconex |
EPI 3382S2 |
SCHNEIDER |
490NAC0100 |
|
Triconex |
MP 3101S2 |
SCHNEIDER |
BMENOC0301 |
|
Triconex |
RO 3451S2 |
SCHNEIDER |
BMEXBP0800 |
|
Triconex |
Yapay Zeka 3351 |
SCHNEIDER |
BMXAMI0810 |
|
Triconex |
DO 3401 |
SCHNEIDER |
BMXAMO0410 |
|
Triconex |
AO 3481 |
SCHNEIDER |
BMXCPS2000 |
|
Triconex |
RO 3451 |
SCHNEIDER |
BMXCPS3500 |
|
Triconex |
SDO 3411 |
SCHNEIDER |
BMXCPS4002 |
|
Triconex |
MP 3101 |
SCHNEIDER |
BMXDDI1602 |
|
Triconex |
DI 3301 |
BENTLY NEVADA |
330180-50-05 |
|
Emerson |
1C31204G01 |
BENTLY NEVADA |
330180-50-00 |
|
Emerson |
5X00225G01 |
BENTLY NEVADA |
990-16-XX-01-CN |
|
Emerson |
1C31194G03 |
EMERSON |
A6210 |
|
Emerson |
1C31192G01 |
GE |
750-P5-G5-S5-HI-A1-RE |
|
Emerson |
1C31238H01 |
ABB |
FS300R17KE3 |
|
Emerson |
1C31147G01 |
DALSA |
OR-X4C0-XPD00 |
|
Emerson |
1C31194G01 |
ICS Triplex |
T9110 |
|
Phoenix İletişimi |
2320157 |
Bentley Nevada |
330130-040-01-05 |
|
FANUC |
AIF01A A03B-0807-C011 |
Bentley Nevada |
16710-09 |
|
FANUC |
AID16D A03B-0807-C104 |
Bentley Nevada |
16710-26 |
|
ABB |
IMHSS03 |
Bentley Nevada |
16710-25 |
|
Emerson |
1C31194G01 |
Bentley Nevada |
16710-10 |
|
FANUC |
A06B-6093-H101 |
Bentley Nevada |
330102-00-20-10-01-05 |
|
ABB |
TU847 3BSE022462R1 |
Bentley Nevada |
177230-01-01-05 |
|
SIEMENS |
6ES7153-1AA03-0XB0 |
Bentley Nevada |
330400-02-05 |
+
8
6-1896
5423501
sales7@amikon.cn
AMKPLC
Disclaimer: Amikon sells new and surplus products and develops channels for purchasing such products. This website has not been approved or recognized by any of the listed manufacturers or trademarks. Amikon is not an authorized distributor, dealer, or representative of the products displayed on this website. All product names, trademarks, brands, and logos used on this website are the property of their respective owners. The description, explanation, or sale of products with these names, trademarks, brands, and logos is for identification purposes only and is not intended to indicate any association with or authorization from any rights holder.